Wil graag mijn ‘comfort inblaas ventilator’ ook aan/uit schakelen maar hoe?
Iemand een idee de toevoer vent. te schakelen en waarmee?
7.8.1 Bedrading Perilex wandcontactdoos
De normaal- en kookstand van de HR OptiFor OT-V
worden gekozen d.m.v. potentiaal vrije schakelaars in
de keuken.
De schakelaar moet worden aangebracht tussen L1 en
L3 van de Perilex wandcontactdoos.
Je kunt dus ook een (potentiaal vrij) contact van een Fibaro/Qubino/Shelly aansluiten op L1 en L3 van de Perilex.
Ik heb inmiddels de Flair. Maar de app die erbij hoort kan je feitelijk alleen maar hoger en lager zetten. Geen schema’s of iets dergelijks.
Die L1 en L3 schakeling draait al naar behoren (dank aan de makers) maar ik zou de inblaas ventilator ook aan en uit willen schakelen al naar gelang het binnen klimaat cq “sluit ramen en deuren” alarm…
part 1 de ventilator en part 2 de aansturing. waar gaan we dat mee schakelen en hoe?
thnx voor het meedenken
Voor dit geval zou ik gewoon het hele apparaat uitschakelen door de 230V voeding te onderbreken.
maar dat was niet de vraag…
Nee, dat was niet de vraag maar dat was het antwoord, maar blijkbaar voor jou onvoldoende.
Je kunt daarvoor ook een contact van een Fibaro/Qubino/Shelly gebruiken,

neem de bruine draad van de voedingsklem L los, deze draad gaat naar het contact van de Fibaro/Qubino/Shelly en van de andere kant van het contact leg je een nieuwe bruine draad naa de klem L . Natuurlijk moet de schakel module ook van spanning worden voorzien.
Kijk, da’s nou een antwoord waar ik mee verder kan. Bedankt JPe4619
Om de stand van mijn ventilatiesysteem momenteel te verhogen/verlagen gebruik ik enkele afstandsbedieningen (Brink RF 4 standen zender)
Nu zou ik ook graag de Homey gebruiken om de ventilatiestanden aan te passen (vb als CO2 gehalte te hoog wordt, vanzelf laten ventilatie verhogen, ipv nu manueel…)
Hoe kan ik dit beste aanpakken? Zou het mogelijk zijn om simpelweg de afstandsbediening te ‘kopiëren’ naar de homey? Ik kan nergens vinden op welke frequentie deze knoppen werken…
Om toestel volledig uit te schakelen zou ik gewoon een smart wall plug gebruiken, dus heb feitelijk enkel de functionaliteit nodig die nu ook reeds in de afstandbedieningen zit (en dan voornamelijk het knopje ‘15 min lang volle bak ventileren, en dan terug naar normale stand’)
Wellicht is dit is ook een mogelijkheid?
@JPe4619 Geen slecht idee. Jammer genoeg ben ik niet direct bereid om een van mijn afstandsbedieningen op te offeren. Plus de kost van een extra afstandbediening + arduino komt misschien reeds in de buurt van een RF module van Brink zelf? (oke, er is nog een beduidend prijsverschil, plus functionaliteit via Homey…)
Kent iemand misschien een directere wijze om de Brink ventillatie modussen te triggeren? Vb met een Qubino/Fibaro switch ofzo?
In ieder geval hou ik @JPe4619’s suggestie als sterk plan B…
Over welk type “Brink” hebben we het dan, is daar documentatie van te vinden?
En dan bedoel ik het apparaat en dus niet de afstandsbediening
Zelf heb ik de Brink Flair 325 (https://www.brinkclimatesystems.nl/documenten/flair-325-technisch-blad-614847.pdf, https://www.brinkclimatesystems.nl/documenten/flair-325-2-2-installation-regulations-616210.pdf), hier vind je meer info voor alle Brink instrumenten: Brink | Downloads
Vermoedelijk staat de relevante info in hoofdstuk 10 en 11 van mijn tweede link (p35 e.v.)?

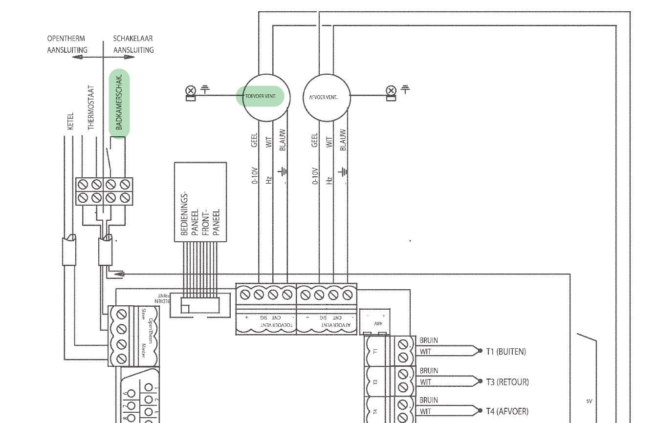
deze pagina bedoel je, ik zie dat er ook een aansluitmogelijkheid is voor een meer-standen schakelaar, daarvoor in de plaats kun je ook een enkele- of dubbele- WiFi, Z-Wave of Zigbee switch aansluiten.
X14 pin-2 is de common,
X14 pin-3 niet nodig in dit geval,
X14 pin-4 is midden snelheid,
X14 pin-5 is hoge snelheid.
Dus een 4-polige RJ11 stekker is voldoende.
@JPe4619 super bedankt!
Maar hoe connecteer ik X14 dan precies met de dubbele switch (vb Shelly Schakelaar Dubbel 2.5)
is X14 pin-6 de N en X14 pin-2 de L? Is 10V voldoende om zo’n switch module te poweren? Of gebruik ik beter deze Qubino Dimmer 0-10V Z-Wave Plus Inbouw al is dit geen dubbele switch (denk ik)?
Zie je het zitten om een draadschematje voor me te tekenen, hoe ik welke draad waar moet aansluiten op een gegeven module? Ik vond deze link Slimme badkamer ventilatie | Maar Dan Smart maar deze is niet echt meer up to date met betrekking tot de 10V qubino switch (of ik begrijp het toch niet helemaal welk draadje waar moet).
Hierbij het aansluitschema, ik heb twee alternatieven getekend met geschikte schakelaars van Fibaro
(Z-Wave), hiervoor is het natuurlijk wel nodig dat je voldoende Z-Wave dekking (bereik) hebt op de plaats van installatie. Je hebt, zoals deze voorbeelden, zogenaamde potentiaalvrije contacten (dry-contacts) nodig, mocht je andere relais vinden en willen gebruiken.
In de doc. staat X18 = 24V (max 5VA), ik heb geen stroomopname van de SmartImplant gevonden, anders is deze aansluiting wellicht voldoende voor het voeden van de SmartImplant.
EDIT: zojuist van RobbShop gehoord dat minimaal 12VA nodig is, dus aparte voeding nodig.
Super dank @JPe4619! Ik sla het op en werk eraan wanneer ik nogmaals wat upgrades mag kopen van het vrouwtje 
Een (goedkoper) alternatief is ook nog: DC 5V ESP8266 ESP-01 2 Kanaals WiFi Relais

Wel aanpassing van de ESP-01 firmware nodig, kan ik je mee helpen.
Deze borden zijn er ook met 3 of 4 relais.





